Внимание: Santreyd — информационный посредник. Товары представлены в рамках параллельного импорта. Изображения и описания носят информационный характер.
+7 (995) 222-69-77

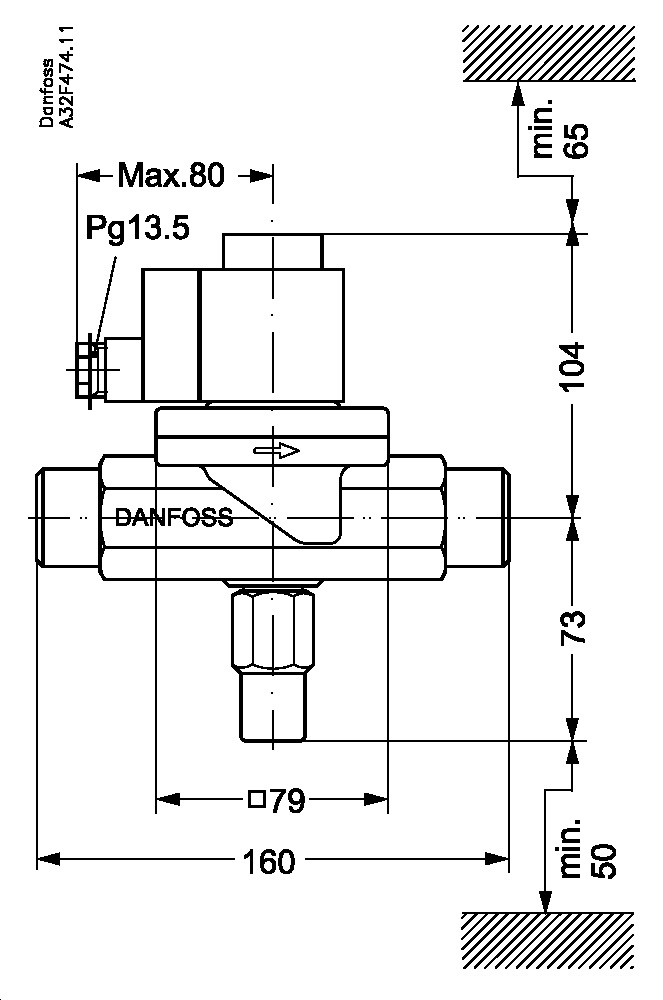
Danfoss EVRST — легко открывающие электромагнитные клапаны из нержавеющей стали EVRST 20 Клапан соленоидный 032F5438

Артикул: 032F5438 Бренд: DANFOSS Код: 102 063 323
0
Важная информация для покупателей:

Santreyd является информационным посредником. Товары представлены в рамках параллельного импорта. Изображения и описания носят информационный характер и могут отличаться от оригинала.

Информация о рекламодателе объявление № 2063323 от 30.07.2021 г. ООО "САН&nbps;&nbps;&nbps;
Сведения о рекламодателе предоставляется по запросу Правообладателя и/или контролирующих структур

Цена товара
Цена по запросу
Отправьте запрос, чтобы узнать актуальную цену и условия поставки
Под заказ Сроки поставки уточните у менеджера
Укажите количество:шт

Основные характеристики

Бренд
DANFOSS
Страна производителя
Дания
Гарантия
-
Размеры
-
Вес
-
Цвет
-

— это электромагнитные клапаны с принудительным сервоуправлением, предназначенные для установки в жидкостные и всасывающие линии, линии горячего газа и линии возврата масла в холодильных установках, работающие на аммиаке или фторсодержащих хладагентах. Клапаны могут поддерживаться открытыми при нулевом перепаде давления. Клапаны изготовлены из нержавеющей стали и находят широкое применение там, где есть повышенные требования к защите наружной поверхности арматуры.

  • Рабочая среда: R 717 (аммиак), R744 (диоксид углерода), ГХФУ и ГФУ хладагенты
  • Типоразмер: DN 10 — DN 20
  • Тефлоновое посадочное седло обеспечивает повышенную герметичность клапана в закрытом положении
Информация для покупателей:

Все описания товаров составлены на основе открытых данных и технической документации. Изображения товаров носят информационный характер и могут отличаться от оригинала.

Артикул 032F5438
Бренд DANFOSS
Страна изготовления Дания
Максимальный открывающий ... 21
Максимальный открывающий ... 25
Максимальный открывающий ... 13
Тип присоединения 1" - под сварку
Рабочая среда ГХФУ, негорючие ГФУ , R717 (NH3), R744 (CO2)
L5 (с катушкой 12/20 Вт),... 85
Класс герметичности затвора "А" (нет видимых утечек при испытании) по ГОСТ 9544  2015
Максимальный открывающий ... 38
L5 (с катушкой 10 Вт), мм 75
Масса с катушкой, кг 2
Температура рабочей среды... -40°C...+105°C (с катушками 10 или 12 Вт. Макс. 130 °C в режиме оттаивания).\n'-40°C...+80°C (с катушками 20 Вт).
Максимальное рабочее давл... 50
Исполнение С функцией ручного открытия
Назначение изделия 2.1 НазначениеКлапаны электромагнитные (соленоидные) типа EVRST {{field Модификация} (далее  клапаны EVRST)  это клапаны с принудительным сервоуправлением предназначенные для открытия и перекрытия потока рабочей среды. Они выполнены из нержавеющей стали и обеспечивают открытое положение при нулевом (0 бар) перепаде давления. Клапаны EVRST предназначены для установки на жидкостные, всасывающие линии, а также на линии подачи горячего газа в аммиачных или фреоновых установках. Клапаны EVRST удовлетворяют всем требованиям, предъявляемым к оборудованию промышленных холодильных установок. 2.2 Климатическое исполнение Клапан EVRST предназначен для работы во всех макроклиматических районах на суше (О) и на море (ОМ), кроме макроклиматического района с очень холодным климатом (с температурой окружающей среды до минус 60°С). Категории размещения 1 - 9 по ГОСТ 15150. 2.3 Область применения Промышленные холодильные установки Таблица 1. Спецификация материалов
Гарантийные обязательства Изготовитель/продавец гарантирует соответствие клапана EVRST техническим требованиям при соблюдении потребителем условий транспортировки, хранения и эксплуатации.Гарантийный срок эксплуатации и хранения составляет - 12 месяцев с даты продажи, указанной в транспортных документах, или 18 месяцев с даты производства. Срок службы клапана EVRS при соблюдении рабочих диапазонов, указанных в паспорте / инструкции по эксплуатации, и при проведении необходимых сервисных работ составляет 10 лет с даты продажи, указанной в транспортных документах.
Комплектность В комплект поставки входят · клапан {{field Модификация}} · упаковка
Пропускная способность Kv... 4,5

Отзывы покупателей

0 на основе 0 отзывов

Вопросы и ответы

Здесь вы можете найти ответы на часто задаваемые вопросы или задать свой вопрос о товаре.

Как можно оплатить заказ?

Оплата товаров производится по выставленому счету нашим менеджером, после оформления заказа. Доступные способы оплаты отображены в «Корзине» в момент оформления.

Отвечен 10 марта 2025

Условия доставки и оплаты

ДОСТАВКА ПО МОСКВЕ И ОБЛАСТИ:
Экспресс‑доставка за один день!

Успевайте оплатить заказ до 9:00 — и в тот же день, до 23:00, мы привезём его при наличии на складе.

Стоимость — 6 500 ₽. Быстро, чётко, без ожидания.

ДОСТАВКА ПО ВСЕЙ РОССИИ
Во все регионы круглый год

Надёжные транспортные компании — СДЭК, Деловые Линии, ПЭК, Байкал Сервис — доставят ваш заказ в любой регион.

Удобные варианты оплаты доставки:

Напрямую перевозчику — по отдельному счёту от ТК.

Через нас — мы включим предварительную стоимость доставки в общий счёт. После упаковки и взвешивания, если тариф изменится, разницу вы доплачиваете напрямую транспортной компании — прозрачно и без скрытых переплат.

Стоимость доставки и упаковки оплачивает покупатель. Сроки — от 10 до 30 календарных дней (зависят от правил выбранной ТК).

СПОСОБЫ ОПЛАТЫ:
QR, картой, переводом

Выбирайте то, что удобно:

  • Онлайн банковской картой — через защищённый платёжный шлюз
  • По счёту — банковский перевод по реквизитам
  • По QR‑коду — быстро и без лишних действий

Оплата наличными и при получении недоступна.

Все заказы принимаются только при 100% предоплате в соответствии с условиями договора.

Гарантия на товар

Гарантия 12 месяцев

Danfoss EVRST — легко открывающие электромагнитные клапаны из нержавеющей стали EVRST 20 Клапан соленоидный 032F5438 предоставляется с гарантией 12 месяцев с момента покупки.

Условия гарантии:
  • Гарантия распространяется на производственные дефекты
  • Гарантийный талон должен быть заполнен и заверен печатью продавца
  • Товар должен использоваться по назначению и в соответствии с инструкцией
  • Гарантия не распространяется на повреждения, вызванные неправильной установкой или эксплуатацией
Важная информация:

Гарантийные обязательства выполняются в рамках законодательства РФ о параллельном импорте. Для предъявления претензий по гарантии необходимо обратиться к продавцу.

Цена по запросу
Товар: "Обои виниловые бежевые 0.70 м 919653 RASCH Safrano" добавлен в корзину
Оформить заказ
Товар добавлен в корзину
Оформить заказ
Ваша оценка учтена
Общая оценка товара: 3.5
Вывод сообщения о неверном действии со стороны пользователя
Сообщение об успешном действии: отправлена форма, успешный вход и т.д.
Сообщение об успешном действии: отправлена форма, успешный вход и т.д.