Внимание: Santreyd — информационный посредник. Товары представлены в рамках параллельного импорта. Изображения и описания носят информационный характер.
+7 (995) 222-69-77

GEBERIT 308.817.14.1 Крестовина двухплоскостная комбинированная Geberit Silent-db20, 88,5°, левая

Артикул: 308.817.14.1 Бренд: Geberit Код: 101 009 295
0
Важная информация для покупателей:

Santreyd является информационным посредником. Товары представлены в рамках параллельного импорта. Изображения и описания носят информационный характер и могут отличаться от оригинала.

Информация о рекламодателе объявление № 1009295 от 30.09.2020 г. ООО "САН&nbps;&nbps;&nbps;
Сведения о рекламодателе предоставляется по запросу Правообладателя и/или контролирующих структур

Цена товара
6 439 / шт
Отправьте запрос, чтобы узнать актуальную цену и условия поставки
Под заказ Сроки поставки уточните у менеджера
Укажите количество:шт Итого ( 1 x 6 439 ) :6 439

Основные характеристики

Бренд
Geberit
Страна производителя
-
Гарантия
-
Размеры
-
Вес
-
Цвет
-
Цели применения: - Для внутренних систем канализации - Для зданий с повышенными требованиями к звукоизоляции - Для подсоединения глубоко лежащих сливов душевых элементов Характеристики: - Со смещенным впуском - Улучшенная звукоизоляция - Приварной фитинг - Абразивно-устойчивый - Стойкий к ультрафиолетовым лучам
Информация для покупателей:

Все описания товаров составлены на основе открытых данных и технической документации. Изображения товаров носят информационный характер и могут отличаться от оригинала.

Видеообзор товара

Посмотрите подробный обзор товара и его применение в интерьере

Артикул 308.817.14.1
Бренд Geberit
Максимальная температура ... 40 °c
Тепловое расширение 0.17 мм/(м·к)
Теплопроводность трубы 0.43 вт/(м·к)
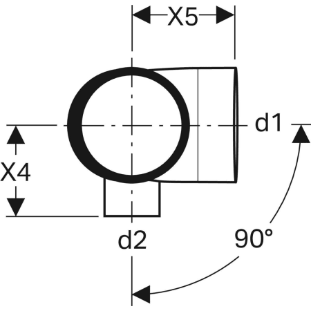
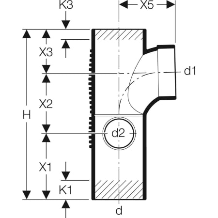
DN 90 / 90 / 56
d1, ø 90 мм
d2, ø 56 мм
X1 12 см
X2 11.3 см
X3 8.3 см
X4 8 см
X5 10.5 см
K1 6 см
K3 0.5 см

Отзывы покупателей

0 на основе 0 отзывов

Вопросы и ответы

Здесь вы можете найти ответы на часто задаваемые вопросы или задать свой вопрос о товаре.

Как можно оплатить заказ?

Оплата товаров производится по выставленому счету нашим менеджером, после оформления заказа. Доступные способы оплаты отображены в «Корзине» в момент оформления.

Отвечен 10 марта 2025

Условия доставки и оплаты

ДОСТАВКА ПО МОСКВЕ И ОБЛАСТИ:
Экспресс‑доставка за один день!

Успевайте оплатить заказ до 9:00 — и в тот же день, до 23:00, мы привезём его при наличии на складе.

Стоимость — 6 500 ₽. Быстро, чётко, без ожидания.

ДОСТАВКА ПО ВСЕЙ РОССИИ
Во все регионы круглый год

Надёжные транспортные компании — СДЭК, Деловые Линии, ПЭК, Байкал Сервис — доставят ваш заказ в любой регион.

Удобные варианты оплаты доставки:

Напрямую перевозчику — по отдельному счёту от ТК.

Через нас — мы включим предварительную стоимость доставки в общий счёт. После упаковки и взвешивания, если тариф изменится, разницу вы доплачиваете напрямую транспортной компании — прозрачно и без скрытых переплат.

Стоимость доставки и упаковки оплачивает покупатель. Сроки — от 10 до 30 календарных дней (зависят от правил выбранной ТК).

СПОСОБЫ ОПЛАТЫ:
QR, картой, переводом

Выбирайте то, что удобно:

  • Онлайн банковской картой — через защищённый платёжный шлюз
  • По счёту — банковский перевод по реквизитам
  • По QR‑коду — быстро и без лишних действий

Оплата наличными и при получении недоступна.

Все заказы принимаются только при 100% предоплате в соответствии с условиями договора.

Гарантия на товар

Гарантия 12 месяцев

GEBERIT 308.817.14.1 Крестовина двухплоскостная комбинированная Geberit Silent-db20, 88,5°, левая предоставляется с гарантией 12 месяцев с момента покупки.

Условия гарантии:
  • Гарантия распространяется на производственные дефекты
  • Гарантийный талон должен быть заполнен и заверен печатью продавца
  • Товар должен использоваться по назначению и в соответствии с инструкцией
  • Гарантия не распространяется на повреждения, вызванные неправильной установкой или эксплуатацией
Важная информация:

Гарантийные обязательства выполняются в рамках законодательства РФ о параллельном импорте. Для предъявления претензий по гарантии необходимо обратиться к продавцу.

Цена по запросу
Товар: "Обои виниловые бежевые 0.70 м 919653 RASCH Safrano" добавлен в корзину
Оформить заказ
Товар добавлен в корзину
Оформить заказ
Ваша оценка учтена
Общая оценка товара: 3.5
Вывод сообщения о неверном действии со стороны пользователя
Сообщение об успешном действии: отправлена форма, успешный вход и т.д.
Сообщение об успешном действии: отправлена форма, успешный вход и т.д.