Внимание: Santreyd — информационный посредник. Товары представлены в рамках параллельного импорта. Изображения и описания носят информационный характер.
+7 (995) 222-69-77

Danfoss Регуляторы производительности CPCE со смесителями "жидкость-газ" LG LG 12-16 Смеситель потоков 069G4001

Артикул: 069G4001 Бренд: DANFOSS Код: 102 062 079
0
Важная информация для покупателей:

Santreyd является информационным посредником. Товары представлены в рамках параллельного импорта. Изображения и описания носят информационный характер и могут отличаться от оригинала.

Информация о рекламодателе объявление № 2062079 от 30.07.2021 г. ООО "САН&nbps;&nbps;&nbps;
Сведения о рекламодателе предоставляется по запросу Правообладателя и/или контролирующих структур

Цена товара
5 230 / шт
Отправьте запрос, чтобы узнать актуальную цену и условия поставки
Под заказ Сроки поставки уточните у менеджера
Укажите количество:шт Итого ( 1 x 5 230 ) :5 230

Основные характеристики

Бренд
DANFOSS
Страна производителя
Дания
Гарантия
-
Размеры
54
Вес
-
Цвет
-

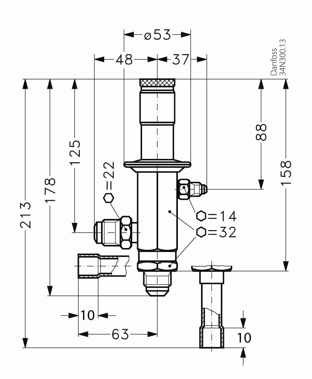
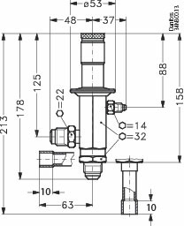
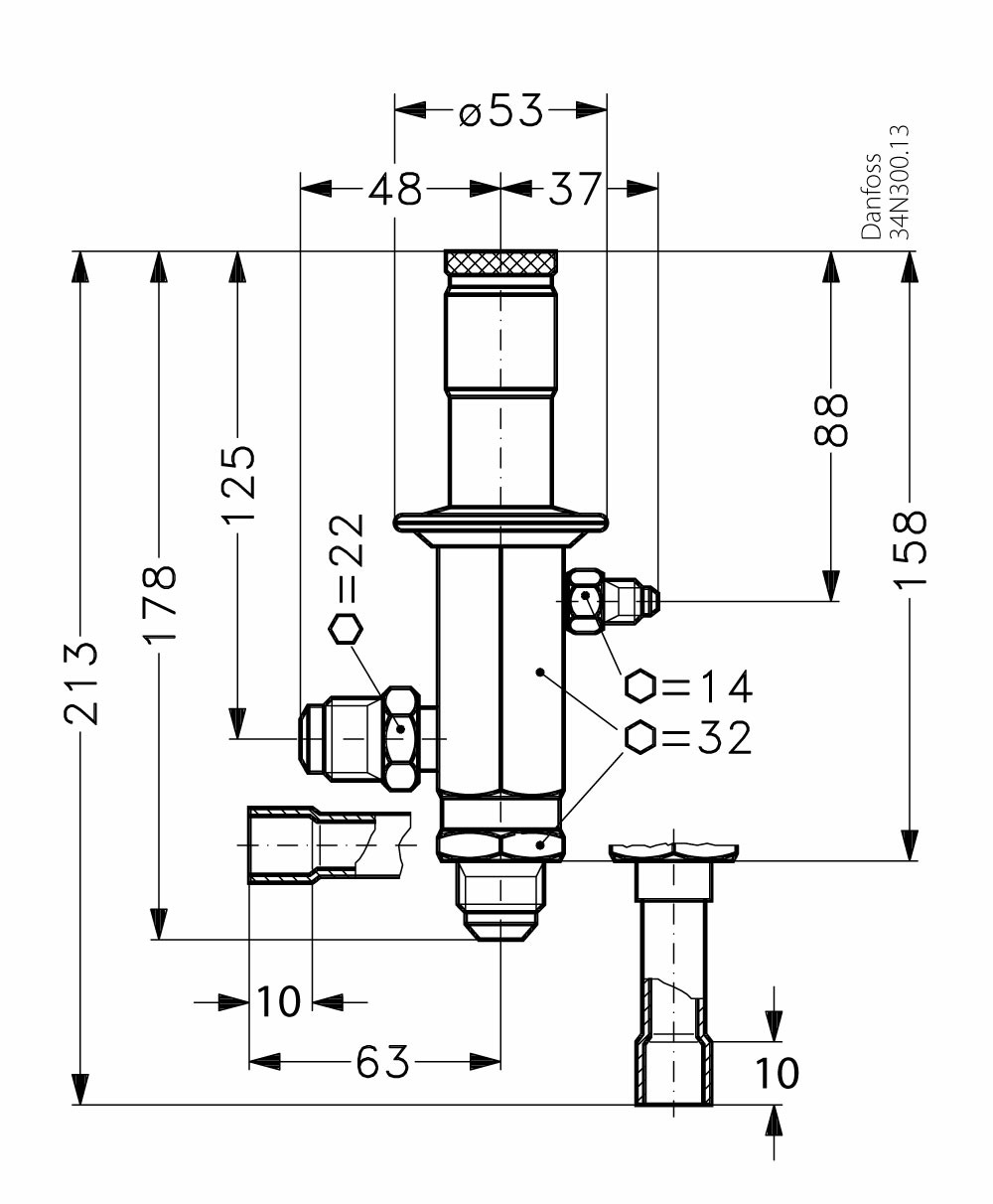
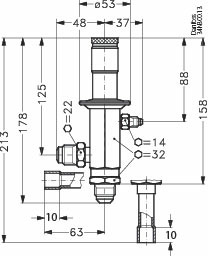
Регуляторы производительности применяются для согласования производительности компрессора с фактической нагрузкой на испаритель. Регуляторы устанавливаются в байпасную линию между сторонами низкого и высокого давления системы охлаждения и осуществляют перепуск горячего газа в участок холодильного контура между испарителем и терморегулирующим клапаном.
При этом ввод горячего газа должен осуществляться через смеситель «жидкость — газ» типа LG.

  • Подбор клапана в программе «Coolselector®2».
  • Температура среды: -50...+140 °C.
  • Диапазон регулирования от 0 до 6,0 бар. Заводская настройка: 0,4 бар. Максимальное рабочее давление 28 бар.
  • Максимальное испытательное давление: 31 бар.
  • Смеситель потоков "жидкость — газ" LG благодаря своей конструкции обеспечивает однородность парожидкостной смеси на входе в испаритель.
Информация для покупателей:

Все описания товаров составлены на основе открытых данных и технической документации. Изображения товаров носят информационный характер и могут отличаться от оригинала.

Артикул 069G4001
Бренд DANFOSS
Вес 0
Высота 54
Страна изготовления Дания
Температура рабочей среды... -50&140
H, мм 54
H, мм 22
L, мм 40
Вес, кг 0,1
Климатическое исполнение УХЛ4
Фазовое состояние Газ/жидкость
Гарантийные обязательства Изготовитель/продавец гарантирует соответствие смесителя газов техническим требованиям при соблюдении потребителем условий транспортирования, хранения и эксплуатации.Гарантийный срок эксплуатации и хранения составляет 12 месяцев с даты продажи, указанной в транспортных документах, или 18 месяцев с даты производства. Срок службы смесителя газов при соблюдении рабочих диапазонов, указанных в паспорте/инструкции по эксплуатации, и при проведении необходимых сервисных работ составляет 10 лет с даты продажи, указанной в транспортных документах.
Комплектность В комплект поставки входит - смеситель газов типа LG (регулятор CPCE не в ходит в комплект поставки)
Назначение изделия Смеситель газов типа LG (далее смеситель) служат для ввода газа при использовании в системе клапана-регулятора производительности типа CPCE. Клапан-регулятор предназначен для установки в байпасную линию между сторонами низкого и высокого давления системы охлаждения о осуществляют перепуск горячего газа в участок холодильного контура между испарителем и терморегулирующим клапаном. Регуляторы производительности предназначенные для соглосования производительности компрессора с фактической нагрузкой на испаритель.
Номинальный диаметр DN 16
Рабочая среда R22, R1234ze, R1270, R134a, R290, R404A, R407A, R407C, R407F, R448A, R449A, R450A, R452A, R507A, R513A, R600, R600a
Тип клапана Смеситель потоков
Максимальное рабочее давл... 28
Тип присоединения под пайку
Присоединительные патрубк... 5/8" x 1/2" x 5/8"

Отзывы покупателей

0 на основе 0 отзывов

Вопросы и ответы

Здесь вы можете найти ответы на часто задаваемые вопросы или задать свой вопрос о товаре.

Как можно оплатить заказ?

Оплата товаров производится по выставленому счету нашим менеджером, после оформления заказа. Доступные способы оплаты отображены в «Корзине» в момент оформления.

Отвечен 10 марта 2025

Условия доставки и оплаты

ДОСТАВКА ПО МОСКВЕ И ОБЛАСТИ:
Экспресс‑доставка за один день!

Успевайте оплатить заказ до 9:00 — и в тот же день, до 23:00, мы привезём его при наличии на складе.

Стоимость — 6 500 ₽. Быстро, чётко, без ожидания.

ДОСТАВКА ПО ВСЕЙ РОССИИ
Во все регионы круглый год

Надёжные транспортные компании — СДЭК, Деловые Линии, ПЭК, Байкал Сервис — доставят ваш заказ в любой регион.

Удобные варианты оплаты доставки:

Напрямую перевозчику — по отдельному счёту от ТК.

Через нас — мы включим предварительную стоимость доставки в общий счёт. После упаковки и взвешивания, если тариф изменится, разницу вы доплачиваете напрямую транспортной компании — прозрачно и без скрытых переплат.

Стоимость доставки и упаковки оплачивает покупатель. Сроки — от 10 до 30 календарных дней (зависят от правил выбранной ТК).

СПОСОБЫ ОПЛАТЫ:
QR, картой, переводом

Выбирайте то, что удобно:

  • Онлайн банковской картой — через защищённый платёжный шлюз
  • По счёту — банковский перевод по реквизитам
  • По QR‑коду — быстро и без лишних действий

Оплата наличными и при получении недоступна.

Все заказы принимаются только при 100% предоплате в соответствии с условиями договора.

Гарантия на товар

Гарантия 12 месяцев

Danfoss Регуляторы производительности CPCE со смесителями "жидкость-газ" LG LG 12-16 Смеситель потоков 069G4001 предоставляется с гарантией 12 месяцев с момента покупки.

Условия гарантии:
  • Гарантия распространяется на производственные дефекты
  • Гарантийный талон должен быть заполнен и заверен печатью продавца
  • Товар должен использоваться по назначению и в соответствии с инструкцией
  • Гарантия не распространяется на повреждения, вызванные неправильной установкой или эксплуатацией
Важная информация:

Гарантийные обязательства выполняются в рамках законодательства РФ о параллельном импорте. Для предъявления претензий по гарантии необходимо обратиться к продавцу.

Цена по запросу
Товар: "Обои виниловые бежевые 0.70 м 919653 RASCH Safrano" добавлен в корзину
Оформить заказ
Товар добавлен в корзину
Оформить заказ
Ваша оценка учтена
Общая оценка товара: 3.5
Вывод сообщения о неверном действии со стороны пользователя
Сообщение об успешном действии: отправлена форма, успешный вход и т.д.
Сообщение об успешном действии: отправлена форма, успешный вход и т.д.